
³¬¿í´øÕý½»Ä£ñîºÏÆ÷
±¾¹«Ë¾Éè¼ÆµÄ³¬¿í´øOMTÓÐÁ½ÖÖÐÎʽ£¨·½ÐλòÔ²Ð⨵¼¿Ú£©£¬£¬£¬£¬£¬·½²¨µ¼¿ÚµÄOMT¹«¹²¿ÚΪ·½ÐΣ¬£¬£¬£¬£¬ÇÒ¹«¹²¿Ú´¦ÔÚÆ÷¼þµÄÖÐÖáÏßÉÏ£¬£¬£¬£¬£¬ÈçÐèÅþÁ¬Ô²²¨µ¼¿ÚÀ®°ÈÌìÏßÐèÒªÅäÖÜÔâת»»£¬£¬£¬£¬£¬ÆäµçÌØÕ÷Êǵȷù²»µÈÏࣻ£»£»£»£»£»Ô²²¨µ¼¿ÚµÄOMT¹«¹²¿ÚΪԲÐΣ¬£¬£¬£¬£¬¿ÉÖ±½ÓÅþÁ¬Ô²²¨µ¼¿ÚÀ®°ÈÌìÏߣ¬£¬£¬£¬£¬ÇÒ¹«¹²¿Ú´¦ÔÚÆ÷¼þµÄÆ«ÐÄλÖ㬣¬£¬£¬£¬ÆäµçÌØÕ÷ÊǵȷùµÈÏà¡£¡£¡£¡£¡£¿£¿£¿£¿£¿Í»§¿Éƾ֤×ÔÉíÐèÇóÀ´Ñ¡ÔñÏìÓ¦OMTÐÎʽ¡£¡£¡£¡£¡£
12-18GHz Õý½»Ä£ñîºÏÆ÷£¨OMT£©

DGÊÓѶ¹«Ë¾¿ª·¢³öµÄ¿í´øÕý½»Ä£ñîºÏÆ÷(OMT)ϵÁУ¬£¬£¬£¬£¬¿ÉÁýÕÖ´ÓK µ½W Ƶ¶Î¹²Æß¸öƵ¶ÎµÄÈ«²¨µ¼Æµ´ø¡£¡£¡£¡£¡£Õý½»Ä£ñîºÏÆ÷¿É½«Ô²²¨µ¼»ò·½²¨µ¼¿ÚµÄÐźÅÊèÉ¢³ÉÁ½¸öÕý½»·ÖÁ¿µÄÐźţ¬£¬£¬£¬£¬²¢´ÓÏìÓ¦µÄ¾ØÐ⨵¼¿ÚÊä³ö£¬£¬£¬£¬£¬Í¬Ê±£¬£¬£¬£¬£¬Á½¸ö¼«»¯µÄÐźžßÓÐ30db ÒÔÉϵĸôÀë¶È¡£¡£¡£¡£¡£·´Ö®£¬£¬£¬£¬£¬Á½¸öÕý½»µÄÏß¼«»¯ÐźſÉÒԺϲ¢Êä³öµ½Ô²²¨µ¼»ò·½²¨µ¼¿Ú¡£¡£¡£¡£¡£
´ËOMT ϵÁпÉÓÃÀ´Æ¥ÅäÊÕ·¢¹²ÓÃµÄ¿í´øË«¼«»¯ÌìÏߣ¬£¬£¬£¬£¬ ÄÜÔÚÒ»¸öÅäºÏµÄ¶Ë¿ÚÄÚ´«ÊäÁ½¸öÕý½»µÄ·ÖÁ¿£¬£¬£¬£¬£¬ÒÔÖª×ã¿Í»§µÄÖݪֲâÊÔÐèÇ󡣡£¡£¡£¡£
ÉÏͼչʾµÄÕý½»Ä£ñîºÏÆ÷£¬£¬£¬£¬£¬ÆäÊÂÇé´ø¿íΪ12-18GHz. ¿ÉʵÏÖÆµ¶ÎÄÚµÄÊÕ·¢¹²Ó㬣¬£¬£¬£¬¾ßÓи߼«»¯¸ôÀë¶È£¬£¬£¬£¬£¬ µÍ²îË𣬣¬£¬£¬£¬ ¿íƵ´øµÄÌØµã£¬£¬£¬£¬£¬ ²¢ÇÒ»¹¼æ¹Ë·ù¶ÈÒ»ÖÂÐԸߵÄÒªÇ󡣡£¡£¡£¡£ÎÒ¹«Ë¾Ò²¿ÉÒÔÅäºÏ¿Í»§µÄÒªÇóÁ¿Éí¶¨ÖÆÆäËûÐèÇóµÄ¿í´øOMT¡£¡£¡£¡£¡£
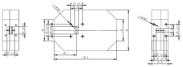
ÐÎ״ͼ (Mechanical Outline):

Ò»°ãÖ¸±ê (Mechanical Specifications):
| ²ÄÖÊ£º | ÂÁ¶Û»¯£¬£¬£¬£¬£¬ÍâÅçÆá |
| ³ß´ç£º | 128.2 X 80 X 33.3(³¤¿í¸ß mm) |
| ÖØÁ¿£º | Ô¼ 730 ¿Ë |
ÊÖÒÕÖ¸±ê (Electronic Specifications):
| ƵÂÊ£º | 12-18 GHz |
| פ²¨£¨Typ.£©£º | ≤1.3 |
| ²îË𣺠| ≤0.8 dB |
| ¸ôÀ룺 | >40 dB |

